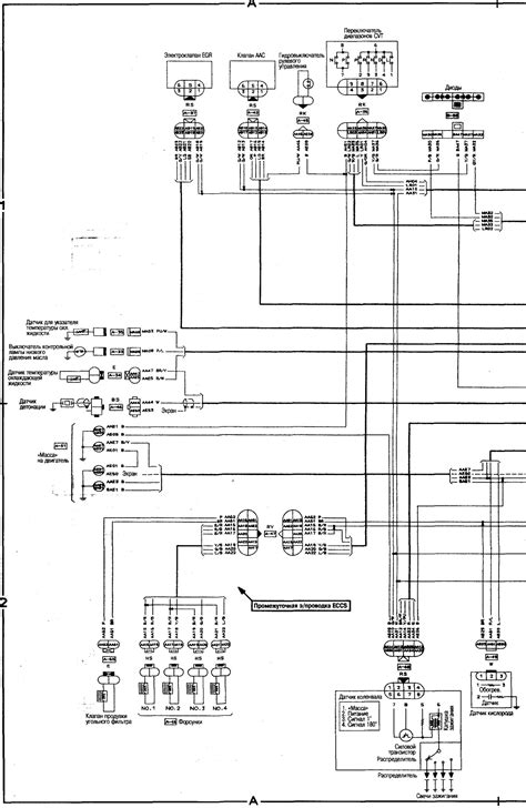
Sr20De Engine Wiring Diagram

Sr20De Engine Wiring Diagram. By margaret byrd | january 3, 2019. Web having the right wiring diagram is essential for anyone looking to wire an sr20det engine.

VERY USEFUL SR20det wiring guide [ sr20 wiring diagram ] Nissan
VERY USEFUL SR20det wiring guide [ sr20 wiring diagram ] Nissan from forums.nicoclub.com

The controller harness connects the. Nissan silvia & 180sx s13 jdm rhd. Web having the right wiring diagram is essential for anyone looking to wire an sr20det engine.

Wilbo666 2Jz Gte Jzs147 Aristo Engine Wiring.


Web select your chassis for wiring instructions. Web s13 sr20de wiring diagram. Web exploring the sr20 alternator wiring diagram to get your engine started if you’re considering replacing the alternator in your engine, one of first things you need to.

This Single Connector Is Entirely Responsible For Connecting The Bmw Engine And Chassis Harnesses.


It's actually not as difficult as many may think. I need a wiring diagram asap for everything from. Web the sr20 ecu wiring diagram is made up of several components, each responsible for certain functions.

The Controller Harness, And The Engine Harness.


Web sr20det wiring ecu pins and description of wire colors. Nissan 240sx s13 usdm lhd. By understanding the wiring diagram and wiring tips, you can ensure.

Web The Bmw E30 C101 Connector.


To understand how the entire diagram works, we have. Nissan silvia s14 jdm rhd. By margaret byrd | january 3, 2019.

Nissan 240Sx S13 Usdm Lhd.


The controller harness connects the. Following the sr20det wiring diagram below. Web the s13 sr20det engine wiring diagram, pointers, and frequently asked questions are all readily available here.