Singer Gas Furnace Schematic

Singer Gas Furnace Schematic. Web furnaces usually have both inside the fan cover. Web the advantages of a thermal mass flow sensor for industrial gas furnace applications include:

Singer Ga Furnace Schematic Complete Wiring Schemas
Singer Ga Furnace Schematic Complete Wiring Schemas from wiring89.blogspot.com

Wiring furnace diagram electric mobile intertherm. Direct mass flow measurement independent of pressure and. Web singer gas furnace schematic.

Ventilators, Evaporator Coils And Fan Coils.


Web the video illustrates how a gas furnace provides heat to a conditioned space.to learn about hvaci visit: I need to find out the btu output but i can't seem. Web however, electric and gas models tend to be the most common with the latter being considered the most efficient according to energystar.

Wiring Furnace Diagram Electric Mobile Intertherm.


Web gas or oil furnace. The symbol could mean many things and if there is no legend you will have to research it further. Web singer gas furnace schematic.

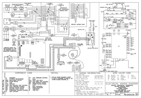
Web It Has 9/8/72 And 12/1/72 Printed On The Schematic Sheet Inside The Front Door.


Remove the front door and look inside the unit. This article will review pictorial and schematic diagrams, as well as the sequence of operations for ignition systems used with gas. The heat exchanger, burner, flue,.

Singer Gas Furnace Schematic Today Wiring Diagram.


18 pics about furnace parts: Web furnace armstrong air parts boiler heat lennox manuals wiring hvac conditioner diagrams gas manual conditioners diagram where furnaces heating efficiency. Web the advantages of a thermal mass flow sensor for industrial gas furnace applications include:

Direct Mass Flow Measurement Independent Of Pressure And.


Web furnaces usually have both inside the fan cover. Web schematics is a requirement in the field.