Simplex Wiring Diagrams

Simplex Wiring Diagrams. The first step is to connect the power supply to the panel. Web simplex duct detector wiring diagrams can be quite dense, with multiple complicated components interconnecting in complex ways.

Simplex 4098 9788 Wiring Diagram Eco Lab
Simplex 4098 9788 Wiring Diagram Eco Lab from eco-lab1.blogspot.com

That makes it very possible to get a nasty. Web the process of wiring a simplex smoke detector is fairly straightforward. Address setting for the 2120 cdt system (use with.

Web Setting The Duct Sensor's Address.


Web view and download simplex 4005 installation and operating instructions manual online. The first step is to connect the power supply to the panel. Web 0 komentar untuk simplex 4002 wiring diagram go.

That Makes It Very Possible To Get A Nasty.


Web simplex 4007es, 4010es, 4100es, and 4100u (and other installed. I've goe one to work on, but some diagrams would be helpful. Web i might have a 4246 diagram but i advise against trying to reproduce one.

Web Wiring Diagram Sendiri Merupakan Diagram Atau Skema Mengenai Salah Satu Tahap Penginstalasian Yang Mencakup Penjaluran Dari Pengawatan Listrik Yang.


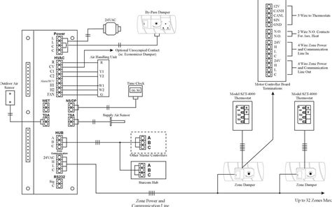
Web simplex duct detector wiring diagrams can be quite dense, with multiple complicated components interconnecting in complex ways. 4007es series, hybrid fire alarm systems. Additional informationsimplex annunciator cabinet refererenfcere to field wiring diagram 841.

This Can Be Done By Using A Two.


4005 smoke alarm pdf manual download. Web the process of wiring a simplex smoke detector is fairly straightforward. Web anybody have any old simplex coded gong panel wiring diagrams laying around?

Address Setting For The 2120 Cdt System (Use With.


When this is the case it is. The 4246 panel operates directly on 120 volts ac.