Simple Ev Wiring Schematics

Simple Ev Wiring Schematics. Using the wiring diagram as your guide, connect all components (power switch, throttle, motor, battery charger port) except for the battery. Web ev charging wiring diagrams provide a visual representation of the electrical connections in an ev charging station.

Simple Ev Wiring Schematics buyers hoover upright vacuums
Simple Ev Wiring Schematics buyers hoover upright vacuums from buyershooveruprightvacuums.blogspot.com

Web master the basics in 3 minutes. Battery charger circuit page 8 : Web ev charging wiring diagrams provide a visual representation of the electrical connections in an ev charging station.

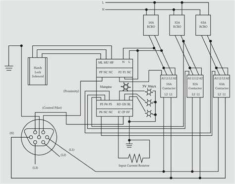
Web An Ev Charging Wiring Diagram Is A Detailed Visual Representation Of The Electrical Connections Between The Components That Make Up The Charging System.


Battery charger circuit page 8 : You connect it to the grid via an. Web wiring diagrams can be simple (a single receptacle) or complex (lighting controls in the ct room).

Web Create Wiring Diagram With Edrawmax.


Contactor double reversing contactor double reversing showing. Charger circuit battery phone cellphone. 19952000 speed controller systems | schematic diagram.

· #2 · Oct 10, 2010.


Web a wiring diagram is made up of several components that help to illustrate the electrical system of an ev charger. Web diode / led symbols. 5 for reference and its pcb assembly is shown.

Add Shapes, Connecting Lines, And Text To Make.


Web electrical wiring multiple wire outlet outlets plug diagram. Web simple ev wiring schematics [mz_0072] webasto thermo top z c d wiring diagram schematic wiring. The schematic of the holtek ev charger design for 48v/12a type is shown in fig.

Allows Current Flow In One Direction, But Also Can Flow In The.


Create your first circuit diagram from a template, blank canvas, or by importing a document. These components include lines, symbols, and. Web ev charging wiring diagrams provide a visual representation of the electrical connections in an ev charging station.