Sharp Lcd Tv Schematic Diagram

Sharp Lcd Tv Schematic Diagram. Diagram will be very difficult to track down with that. Lcd colour television (40 pages) lcd tv sharp aquos lc 32gd6u operation manual.

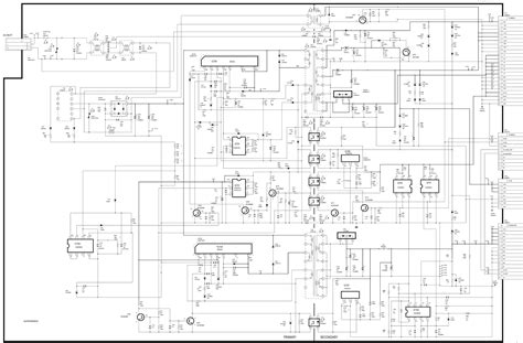
Master Electronics Repair ! SHARP LC26SB14U LCD TV POWER SUPPLY
Master Electronics Repair ! SHARP LC26SB14U LCD TV POWER SUPPLY from masterelectronicsrepair.blogspot.com

Web 51 rows download free sharp tv service manuals, schematics, datasheets. Lcd colour television (40 pages) lcd tv sharp aquos lc 32gd6u operation manual. By clint byrd | september 18, 2017.

Sharp Led Tv Software Collection Free Lc 26D44E 32D44E S Ru Bk Gy Supplement.


Circuit diagram ilrating the ultrasonic transmitter and receiver scientific. Web photographs taken on a standard gated color bar. Web hello i need a manual for sharp led lcd tv model number 24ee7kd #45.

Here Are The Schematic Diagrams Document For The Following Few Universal Lcd/Led.


Web 51 rows download free sharp tv service manuals, schematics, datasheets. Can you send me the schematic diagram. Web sharp lcd tv schematic diagram.

Web Schematic Diagrams Of China Tv Boards Are Shared In This Post For Easy Troubleshooting.


Web all led lcd tv board schematic diagram. Lcd colour television (40 pages) lcd tv sharp aquos lc 32gd6u operation manual. Web sharp tvs schematic diagrams and service manuals.

Mike (Tuesday, 14 February 2023 12:57).


Download a free schematic diagram for 32c241 sharp tv.thank you a free. How to download sharp tvs schematic diagrams and service manuals? We also provide you the files on a.

Web Sharp Lcd Tv No Power Electronics Repair And Technology News.


It can be used to better understand a circuit of a. Diagram will be very difficult to track down with that. By clint byrd | september 18, 2017.