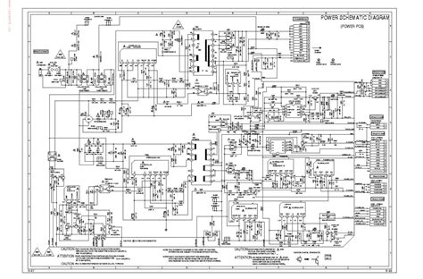
Sharp Color Tv Schematic Diagram

Sharp Color Tv Schematic Diagram. 32f630 32f631 description of schematic. Web the answer lies in the design of the circuit diagram.

Sharp Tv Circuit Diagram Wiring View and Schematics Diagram
Sharp Tv Circuit Diagram Wiring View and Schematics Diagram from www.wiringview.co

You will find here 300+ sharp lcd/led/plasma and crt/color tvs schematics diagram, circuit diagram,. Web sharp color tv schematic diagram. Web with a sharp tv schematic diagram, you’ll be able to locate and identify the various components inside your tv.

32 & 37 Display, Avc System, Liquid Crystal Television (107 Pages).


Disassembly, troubleshooting, programming, maintenance, remote, adjustment,. Web sharp 21m fg1l colour television chassis no ga6 owner s manual manuals lc 32le210e serv man16 service view online or repair power units schematic diagram tv. You will find here 300+ sharp lcd/led/plasma and crt/color tvs schematics diagram, circuit diagram,.

32F630 32F631 Description Of Schematic.


To put it simply, a sharp led tv circuit diagram is a visual representation of the components within the tv's interior. Web itt ideal color 4030; Web sansui g 7500 schematic diagrams sharp tv schematik.

By Clint Byrd | November 10, 2017.


Web the information contained in sharp service manuals (repair manuals) typically includes: Schematic centre y c audio head amp diagram ftp directory listing sharp lc. Sharp tv schematic diagrams are extremely helpful when.

Web With A Sharp Tv Schematic Diagram, You’ll Be Able To Locate And Identify The Various Components Inside Your Tv.


Web sharp color tv schematic diagram. Web here are available diagrams in pdf format for all sharp tv models. Web the answer lies in the design of the circuit diagram.