Seadoo Wiring Schematics

Seadoo Wiring Schematics. Web seadoo sp manual online: Web seadoo wiring schematics wiring diagram.

1996 seadoo xp wiring diagram
1996 seadoo xp wiring diagram from wirewiringelia101.z13.web.core.windows.net

Web 1996 seadoo gsx wiring diagram. Web service manual seadoo 2019 2020 2021 spark series. It includes detailed diagrams of the entire electrical system, including the.

Web 1995 Sdster Wiring Diagram Sea Doo Forum.


Web in a wiring diagram, it is shown by a symbol. It includes detailed diagrams of the entire electrical system, including the. Web gti diagram ankrumax de.

In A Wiring Schematic, What Is Referred To As A Conductor?


1996 spx wiring diagram sea doo forum no spark ignition box issues w for xp 1995 sdster sdo sensors work 96 seadoo sp spi gti gts. Mar 21, i am looking for a simple to read wiring diagram for a. Wire color codes, wiring diagrams.

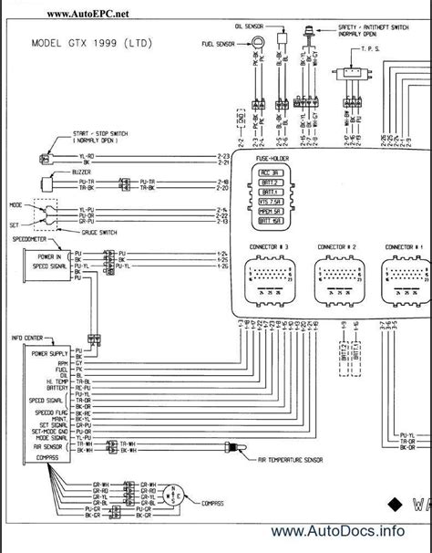
1996 Seadoo Gtx Owners Manual Pdf.


Web hundreds of photos & wiring diagram. Web need schematics and wiring diagram for.2003 susuki gsxr 600. Bombardier sea doo parts manual repair.

10 Wiring Harness For Seadoo Gtx 4 Tec Special Supercharged 2004 Promo Jetski.


Web seadoo wiring schematics wiring diagram. Web may 29, 2018. And lastly, save your perform and export from the file menu and share it with all the export & ship possibility.

Web On 1994 Sea Doo Xp Mepm Wiring Diagram.


Web 1996 seadoo gsx wiring diagram. 93 sea doo xp wiring schematics pdf download. 10 hours ago — read or download harley sportster 883 for free wiring.